WPLN直角行星減速機配有雙曲面齒輪,在運行時十分安靜,同步運行性能得到了優(yōu)化,應用設備的工件加工質量水平大幅提升。而且由于采用雙曲面齒輪,這款減速機運行時平穩(wěn)安靜,振幅降低。WPLN直角行星減速機全型號尺寸圖紙在線下載,減速機選型參考使用??陕?lián)系技術進行選型服務,提供減速機與電機動態(tài)負載圖。
WPLN行星減速機尺寸圖:

WPLN70減速機尺寸圖紙

WPLN90減速機尺寸圖紙

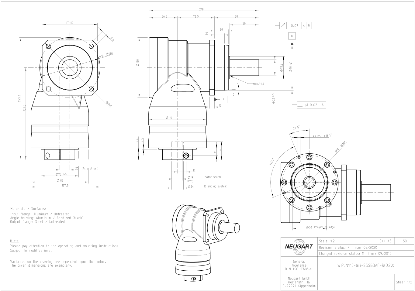
WPLN減速機115尺寸圖紙
WPLN行星減速機尺寸圖下載:
WPLN070參考圖紙.zip
WPLN090參考圖紙.zip
WPLN115參考圖紙.zip
WPLN142參考圖紙.zip
以上為行星減速機基礎型號參考,具體型號選型可聯(lián)系技術或在線服務。行星減速機價格需要技術確認型號后報價,具體型號報價請聯(lián)系在線客服或是工程師!